שליטה בעכבר או מגע
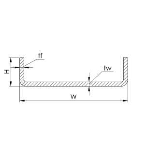
| מק״ט | W | H | t | משקל עצמי |
|---|---|---|---|---|
| PRF-UST-0020-020-04-00 | 20 | 20 | 4 | 0.44 |
| PRF-UST-0025-020-03-00 | 25 | 20 | 3 | 0.35 |
| PRF-UST-0030-017-06-00 | 30 | 17 | 6 | 0.62 |
| PRF-UST-0030-022-05-00 | 30 | 22 | 5 | 0.61 |
| PRF-UST-0038-024-03-00 | 38 | 24 | 3 | 0.48 |
| PRF-UST-0038-034-05-00 | 38 | 34 | 5 | 0.97 |
| PRF-UST-0046-040-03-01 | 46 | 40 | 3 | 0.73 |
| PRF-UST-0050-022-08-03 | 50 | 22 | 8 | 1.01 |
| PRF-UST-0050-030-05-00 | 50 | 30 | 5 | 0.99 |
| PRF-UST-0060-050-04-00 | 60 | 50 | 4 | 1.2 |
| PRF-UST-0071-037-03-00 | 71 | 37 | 3 | 0.74 |
| PRF-UST-0072-032-03-00 | 72 | 32 | 3 | 0.78 |
| PRF-UST-0073-025-05-00 | 73 | 25 | 5 | 0.71 |
| PRF-UST-0087-040-06-00 | 87 | 40 | 6 | 1.79 |
| PRF-UST-0089-040-04-00 | 89 | 40 | 4 | 1.31 |
| PRF-UST-0100-030-06-00 | 100 | 30 | 6 | 1.75 |
| PRF-UST-0100-050-06-00 | 100 | 50 | 6 | 2.24 |
| PRF-UST-0100-080-2.5-0 | 100 | 80 | 2.5 | 1.39 |
| PRF-UST-0102-035-04-00 | 102 | 35 | 4 | 1.31 |
| PRF-UST-0103-034-03-00 | 103 | 34 | 3 | 0.99 |
| PRF-UST-0114-042-06-00 | 114 | 42 | 6 | 2.2 |
| PRF-UST-0136-100-04-00 | 136 | 100 | 4 | 2.62 |
| PRF-UST-0138-100-04-00 | 138 | 100 | 4 | 2.67 |
| PRF-UST-0140-110-04-00 | 140 | 110 | 4 | 2.82 |
| PRF-UST-0150-038-06-00 | 150 | 38 | 6 | 2.4 |
| PRF-UST-0190-082-05-00 | 190 | 82 | 5 | 3.47 |
| PRF-UST-0200-050-06-00 | 200 | 50 | 6 | 3.43 |
בטבלה להלן מופיע תכונות החתך, עומס מקסימאלי בק"ג\מטר עבור כל מפתח במ"מ ומפרט טכני מלא להורדה.